Бренды
Компания
  • О компании
  • Партнерам
Помощь
  • Доставка и оплата
  • Как оформить заказ
  • Способы оплаты
  • База знаний
Информация
  • Новости
  • Статьи
  • Карта сайта
Контакты
  • Реквизиты
    +7 (800) 100-61-98
    +7 (800) 100-61-98
    E-mail
    Apatity@td-asv.ru
    Адрес
    г. Апатиты, Кубинская ул., д. 75, к.2, лит. Д (Пункт выдачи товара на терминале ТК «Возовоз»)
    Режим работы
    Пн: c 10:00 до 18:00
    Вт, Чт - Пт: c 09:00 до 18:00
    Ср: c 09:00 до 16:00
    Сб - Вс: выходной
    ТД
    Комплексное снабжение объектов строительства
    На любой вкус
    Спиральные зажимы
    На любой вкус
    KIWI
    КВТ
    ИНКАБ
    Hyperline
    ОК-кабель
    Связьстройдеталь (ССД)
    Bandimex
    MILLER
    Fujikura
    • Арматура СИП 0,4 кВ
      Арматура СИП 0,4 кВ
      • Корпуса и предохранители
      • Анкерно-поддерживающие зажимы
      • Анкерные кронштейны и крюки
      • Изолированные наконечники и зажимы
      • Крепежные изделия для СИП
      • Плашечные зажимы
      • Ответвительные зажимы
      • Устройства для защиты ВЛИ
      • Аппаратные прессуемые зажимы
      • Клеммники для сетей уличного освещения
      • Кабельные наконечники и зажимы
      • Ограничители перенапряжения
    • Оборудование СИП 6-35 кВ
      Оборудование СИП 6-35 кВ
      • Анкерно-поддерживающие зажимы
      • Ответвительные зажимы
      • Вязка спиральная
      • Разрядники
      • Колпачки
      • Птицезащитные устройства
      • Траверсы ТМ
      • Устройства защиты
      • Разъединители РЛНД
      • Разъединители РЛК
    • Инструмент для монтажа арматуры СИП
      Инструмент для монтажа арматуры СИП
      • Вертлюги монтажные
      • Лебедки ручные для монтажа СИП
      • Монтажные зажимы для СИП
      • Ролики монтажные
      • Чулки монтажные
      • Средства безопасности при работе на высоте
    • Крепления для дорожных знаков
      Крепления для дорожных знаков
    • Изоляторы
      Изоляторы
      • Стеклянные
      • Полимерные
      • Фарфоровые
    • Арматура ВОЛС
      Арматура ВОЛС
      • Узлы крепления для магистральных линий
      • Гасители вибрации
      • Узлы подвески ВОК на линиях РЖД
      • Зажимы для кабеля
      • Сцепная арматура
      • Узлы крепления
      • Спиральные зажимы для ОКСН
    • Компоненты ВОЛС
      Компоненты ВОЛС
      • Аксессуары для оптических кроссов
      • Аксессуары для оптического кабеля
      • Трансиверы
      • Оптическая абонентская коробка
      • Оптические шнуры      
        • Пигтейлы
      • Протяжка для кабеля, мини УЗК
      • Оптические кроссы
    • Оптический кабель
      Оптический кабель
      • Волоконно-оптические кабели «Интегра Кабель»
      • Волоконно-оптические кабели «АСВ»
      • Волоконно-оптические кабели «Инкаб»
    • Бандажные крепления
      Бандажные крепления
      • Ленты монтажные нержавеющие
      • Замки для монтажной ленты
      • Инструмент для монтажной ленты
      • Стяжки стальные
      • Ленты монтажные оцинкованные
    • Кабель и аксессуары
      Кабель и аксессуары
      • Кабелеукладчики
      • Провод СИП-2
      • Кабели «витая пара» (LAN)
      • Провод СИП-3
      • Провод СИП-4
      • Кабель коаксиальный
      • Кабель для видеонаблюдения
      • Монтажные материалы
      • Кабельные муфты      
        • Кабельные муфты до 1 кВ
        • Кабельные муфты до 10 кВ
        • Кабельные муфты до 20-35 кВ
      • Металлорукав и фитинги
      • Кабель бронированный
      • Кабель интерфейсный
      • Кабель огнестойкий
      • Кабель силовой
      • Гофра трубы
    • Муфты и аксессуары для оптических кабелей
      Муфты и аксессуары для оптических кабелей
      • Оптические муфты
      • Ввод кабельный для муфт
      • Устройства для подвески муфт
      • Общие аксессуары к муфтам
    • Компоненты СКС
      Компоненты СКС
      • Площадки монтажные и бандаж
      • Горизонтальные блоки розеток PDU
      • Изоляционная лента ПВХ
      • Нейлоновые стяжки
      • Дюбель-хомуты
      • Коннекторы, проходники
      • Патч-корды
      • Патч-панели
      • Разъемы, переходники, разветвители
      • Расходные материалы
      • Розетки компьютерные, телефонные
      • Монтажный инструмент
      • Измерительное оборудование
      • Оборудование телефонии
    • Приборы для работы с оптическим кабелем
      Приборы для работы с оптическим кабелем
      • Аксессуары для сварочных аппаратов
      • Инструмент для очистки оптических разъемов
      • Оптическое измерительное оборудование
      • Сварочные аппараты
      • Оптические рефлектометры
      • Измерители оптической мощности
      • Инструмент для работы с оптическим кабелем
    • Такелажные крепления
      Такелажные крепления
    • Промышленное и наружное освещение
      Промышленное и наружное освещение
      • Аксессуары для наружного освещения
      • Муфты для уличного освещения
      • Светильники
    • Арматура ВЛИ, ВЛЗ, Волском
      Арматура ВЛИ, ВЛЗ, Волском
      • Аппаратные зажимы
      • Арматура Volscom
      • Арматура для ВЛ с СИП 0,4 кВ      
        • Арматура для СИП приоритетная
        • Арматура для СИП прочая
        • Прокалывающий зажим типа ОР
        • Устройства защиты от перенапряжений типа LVA
      • Зажимы натяжные типа НБ, НЗ, НКК, ЗНЗ
      • Звенья промежуточные, талрепы, коромысла
      • Плашечные зажимы типа ПА, ПС, ЭЗК
      • Серьги, скобы (СР, СРС, СК)
      • Специальная арматура для ВЛ и ВЛЗ 6-35 кВ      
        • Устройства защиты от атмосф.перенапр. Типа УЗД (ОАЗ)
        • Вязки спиральные
        • Прочая арматура для ВЛ и ВЛЗ 6-35 кВ
        • Устройства защиты от перенапряжений типа УЗПН и УЗАП
      • Узлы крепления типа КГП
      • Ушки
    • Распродажа
      Распродажа
    Войти
    0 Сравнение
    0 Избранное
    0 Корзина
    Оптический кабель Арматура СИП Арматура СИП Ленты монтажные Ленты монтажные Освещение Освещение Спиральные зажимы Спиральные зажимы Сцепная арматура Сцепная арматура
      • Апатиты
    • Кабинет
    • 0 Сравнение
    • 0 Избранное
    • 0 Корзина
    • Бренды
    • Компания
      • Компания
      • О компании
      • Партнерам
    • Информация
      • Информация
      • Новости
      • Статьи
      • Карта сайта
    • Помощь
      • Помощь
      • Доставка и оплата
      • Как оформить заказ
      • Способы оплаты
      • База знаний
    • Контакты
      • Контакты
      • Реквизиты
    +7 (800) 100-61-98
    • Телефоны
    • +7 (800) 100-61-98
    • Apatity@td-asv.ru
    • г. Апатиты, Кубинская ул., д. 75, к.2, лит. Д (Пункт выдачи товара на терминале ТК «Возовоз»)
    • Пн: c 10:00 до 18:00
      Вт, Чт - Пт: c 09:00 до 18:00
      Ср: c 09:00 до 16:00
      Сб - Вс: выходной
    Главная
    Каталог
    Арматура ВЛИ, ВЛЗ, Волском
    Арматура СИП 0,4 кВ
    Оборудование СИП 6-35 кВ
    Инструмент для монтажа арматуры СИП
    Крепления для дорожных знаков
    Изоляторы
    Арматура ВОЛС
    Компоненты ВОЛС
    Оптический кабель
    Бандажные крепления
    Муфты и аксессуары для оптических кабелей
    Кабель и аксессуары
    Компоненты СКС
    Такелажные крепления
    Приборы для работы с оптическим кабелем
    Промышленное и наружное освещение
    Распродажа
    Плашечные зажимы типа ПА, ПС, ЭЗК
    Арматура для ВЛ с СИП 0,4 кВ
    Специальная арматура для ВЛ и ВЛЗ 6-35 кВ
    Арматура Volscom
    Зажимы натяжные типа НБ, НЗ, НКК, ЗНЗ
    Аппаратные зажимы
    Серьги, скобы (СР, СРС, СК)
    Звенья промежуточные, талрепы, коромысла
    Узлы крепления типа КГП
    Ушки
    Зажим плашечный ПС-2-1А
    Зажим плашечный ПС-2-1А
    Зажим плашечный ПС-2-1А
    Зажим плашечный ПС-2-1А
    Зажим плашечный ПС-2-1А

    Зажим плашечный ПС-2-1А

    Арт. ПС-2-1А
    116.10 ₽/шт
    Цена указана с учётом НДС 22%
    +#BONUSES# на счет
    116.10 ₽/шт
    Цена указана с учётом НДС 22%
    +#BONUSES# на счет
    Много
    Рассчитать доставку
    Нашли дешевле?
    Характеристики
    Тип
    :
    зажим
    Вид
    :
    плашечный
    Все характеристики
    116.10 ₽/шт
    Цена указана с учётом НДС 22%
    +#BONUSES# на счет
    Много
    Рассчитать доставку
    Нашли дешевле?
    МЗВА-ЧЭМЗ
    Все товары МЗВА-ЧЭМЗ
    Все товары категории

    Цена указана с учетом НДС
    Срок доставки по Москве и МО 1-2 дня
    Самовывоз: Москва, Киевское ш. 22-й, стр. 1Б

    • Описание
    • Характеристики
    • Как купить
    • Оплата
    • Характеристики

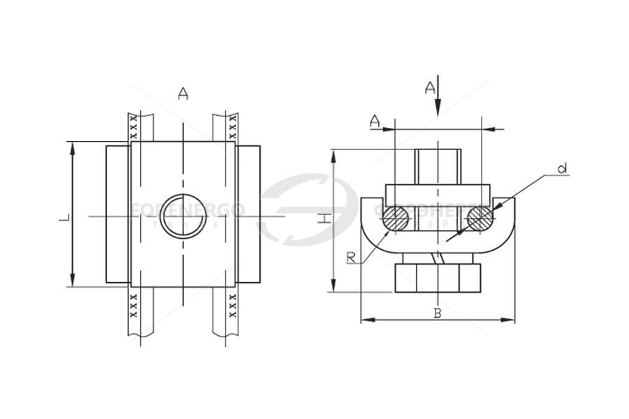
    Зажим соединительный плашечный ПС-2-1А

    Предназначен для стальных проводов и канатов при выполнении заземления молниезащитных тросов воздушных линий электропередачи 0,4 – 110 кВ. Производится по ТУ 3449-001-52819896-2010.

    Диапазон диаметров канатов
    по ГОСТ 3062-80, ГОСТ 3063-80,
    ГОСТ 3064-80 и стальных проводов марок ПС, мм
    Размеры, мм
    A А1 B L H R
    9,1 – 12,0 25,5 - 46 30 47 6


    • Диапазон диаметров канатов по ГОСТ 3062-80, ГОСТ 3063-80, ГОСТ 3064-80 и стальных проводов марок ПС, мм: 9,1 – 12,0
    • Масса, кг, не более: 0,22

    Оформить заказ на нашем сайте легко. Просто добавьте выбранные товары в корзину, а затем перейдите на страницу Корзина, проверьте правильность заказанных позиций и нажмите кнопку «Оформить заказ» или «Быстрый заказ».

    Быстрый заказ

    Функция «Быстрый заказ» позволяет покупателю не проходить всю процедуру оформления заказа самостоятельно. Вы заполняете форму, и через короткое время вам перезвонит менеджер магазина. Он уточнит все условия заказа, ответит на вопросы, касающиеся качества товара, его особенностей. А также подскажет о вариантах оплаты и доставки.

    По результатам звонка, пользователь либо, получив уточнения, самостоятельно оформляет заказ, укомплектовав его необходимыми позициями, либо соглашается на оформление в том виде, в котором есть сейчас. Получает подтверждение на почту или на мобильный телефон и ждёт доставки.

    Оформление заказа в стандартном режиме

    Если вы уверены в выборе, то можете самостоятельно оформить заказ, заполнив по этапам всю форму.

    Заполнение адреса

    Выберите из списка название вашего региона и населённого пункта. Если вы не нашли свой населённый пункт в списке, выберите значение «Другое местоположение» и впишите название своего населённого пункта в графу «Город». Введите правильный индекс.

    Доставка

    В зависимости от места жительства вам предложат варианты доставки. Выберите любой удобный способ. 

    Оплата

    Выберите оптимальный способ оплаты. 

    Покупатель

    Введите данные о себе: ФИО, адрес доставки, номер телефона. В поле «Комментарии к заказу» введите сведения, которые могут пригодиться курьеру, например: подъезды в доме считаются справа налево.

    Оформление заказа

    Проверьте правильность ввода информации: позиции заказа, выбор местоположения, данные о покупателе. Нажмите кнопку «Оформить заказ».

    Наш сервис запоминает данные о пользователе, информацию о заказе и в следующий раз предложит вам повторить к вводу данные предыдущего заказа. Если условия вам не подходят, выбирайте другие варианты.

    Способы оплаты


    Оплата по выставленному счету
    Счет от менеджера — это быстрый и удобный способ оплаты наших услуг. После согласования заказа с менеджером вам будет выслан счет на электронную почту. Счет содержит все необходимые реквизиты и подробную информацию о заказе.
    Для оплаты по счету:
    • Сохраните полученный документ
    • Укажите назначение платежа согласно реквизитам
    • Произведите оплату в любом удобном для вас банке

    Безналичный расчет
    Безналичный расчет доступен для юридических лиц и индивидуальных предпринимателей. Мы предоставляем все необходимые документы для бухгалтерского учета:
    • Счет на оплату
    • Акт выполненных работ
    • Товарная накладная
    • Счет-фактура

    Для оформления договора и получения реквизитов свяжитесь с нашим менеджером.

    Оплата наличными
    Наличный расчет возможен при личном визите в наш офис. При оплате наличными вы получаете:
    • Кассовый чек
    • Товарный чек (при необходимости)
    • Гарантийный талон (если применимо)

    Наш офис работает с 9:00 до 18:00 по будням. Перед визитом рекомендуем согласовать время с менеджером для более комфортного обслуживания.
    Тип
    зажим
    Вид
    плашечный
    Назад к списку
    Интернет-магазин
    Каталог
    Бренды
    Компания
    О компании
    Партнерам
    Реквизиты
    Контакты
    Информация
    Новости
    Статьи
    Карта сайта
    Помощь
    Доставка и оплата
    Как оформить заказ
    Способы оплаты
    База знаний
    Связаться с нами
    +7 (800) 100-61-98
    +7 (800) 100-61-98
    E-mail
    Apatity@td-asv.ru
    Адрес
    г. Апатиты, Кубинская ул., д. 75, к.2, лит. Д (Пункт выдачи товара на терминале ТК «Возовоз»)
    Режим работы
    Пн: c 10:00 до 18:00
    Вт, Чт - Пт: c 09:00 до 18:00
    Ср: c 09:00 до 16:00
    Сб - Вс: выходной
    Apatity@td-asv.ru
    г. Апатиты, Кубинская ул., д. 75, к.2, лит. Д (Пункт выдачи товара на терминале ТК «Возовоз»)
    © 2026 Торговый дом «АСВ»
    Политика конфиденциальности
    Публичная оферта
    Создание сайта WRP
    Каталог 0 Корзина 0 Избранное Кабинет Контакты